- 产品编号:GE NPP301(绝压传感器)
额定压力范围: 100,200,700(kpa)
电源电压: DC3V,最高10V
满量程输出: 60mV
工作温度范围: -40至+125度(摄氏度)
线性度: 正负0.2(%FSO)
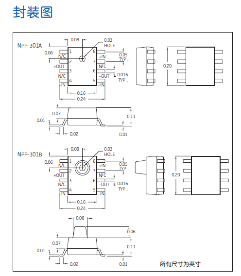
引脚封装: SO-8
气咀方式: 垂直单端口
联系我们
-
地址:深圳市福田区车公庙泰然九路盛唐商务大厦西座
-
1503-1504室 邮编:518031
-
电话:0755-82905241
-
传真:0755-25312269
关注我们

© 2015 深圳市庆成科技有限公司 All Rights Reserved 粤ICP备14040797号-1 BY:NIEGOWEB